为您提供企业级互联芯片解决方案

具有中断输出的16路I2C和SMBus GPIO扩展器
I2C/SMBus转16路GPIO
400kHz快速I2C总线
带3个可配置的I2C地址引脚
支持有源低中断输出
工作温度:-40℃~85℃
封装:TSSOP24
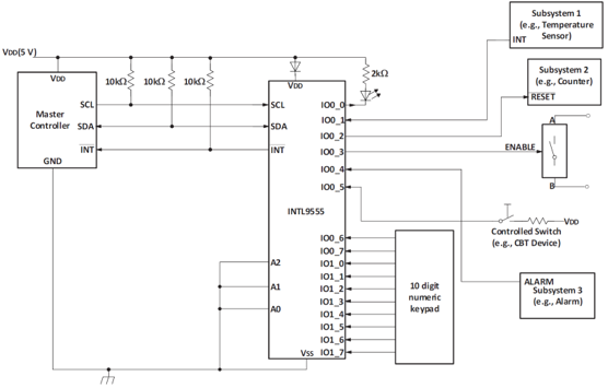
INTL9555是一款24引脚器件,可为两线双向I2C总线(或SMBus)提供16位通用并行输入和输出扩展。该器件的工作电源电压范围为1.65V至5.5V。INTL9555的功能包括当输入端口状态发生变化时,在INT引脚上生成中断。硬件可选地址引脚A0、A1和A2,最多允许8个INTL9555器件位于同一I2C总线上。

应用框图
服务器
存储阵列
交换机
路由器
Copyright © 2019-2025 成都ballbet贝博微电子科技股份有限公司 版权所有 备案编号: 蜀ICP备2022009451号 川公网安备 51019002004893号

